1-800-251-8824
Shopping Cart
Solo Sprayer Parts > Solo Portable Sprayer Parts by Model Number > Solo 430 Series Portable Sprayer Parts

Solo 430 Series Portable Sprayer Parts

Genuine Solo Parts for the Solo 430 Series Portable Sprayer. We carry a wide selection of parts to keep your Solo 430 Series operating it's best. From nozzles and seals to wands, hoses, and other essential components, everything needed for repairs or maintenance. To make selecting the correct part(s) easy, we have a detailed parts diagram for easy reference. Please note: Read and/or download the manual for this sprayer HERE. We carry a full line of Solo Sprayer Parts and Solo Backpack Sprayers

The Solo 430 Series Handheld Sprayers are versatile, high-quality sprayers designed for both residential and professional use. Available in 1G, 2G, and 3G sizes, these sprayers feature a robust compression system and high-density polyethylene tanks, ensuring durability and chemical resistance. Ideal for spot spraying and general application, the 430 Series includes adjustable nozzles for different spray patterns, making it perfect for tasks such as pest control, gardening, and lawn care. With easy-to-use operation and a comfortable design, these sprayers are built for efficiency and long-lasting performance.

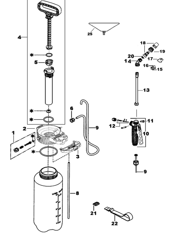
(Click on the part number you need in the diagram for pricing and details or scroll down)
Solo 430 Series Portable Sprayer Parts by Diagram Number
Solo 4900162 Pressure Relief Valve
#1
Solo 4900162 Pressure Relief Valve
Our Item Number - Oso4900162
$2.79

Add to Cart
Solo 4073852 Tank Cap
#2
Solo 4073852 Tank Cap
Our Item Number - Oso4073852
$11.19

Add to Cart
Solo 4400115 Pump Assembly
#4
Solo 4400115 Complete Pump Assembly
Our Item Number - Oso4400115
$12.29

Add to Cart
Solo 4073839 Pump Ring
#5
Solo 4073839 Pump Ring
Sold in a set of (2)
Our Item Number - Oso4073839
$1.39

Add to Cart
Solo 4074655 Screw Cap
#6
Solo 4074655 Screw Cap
Our Item Number - Oso4074655
$1.89

Add to Cart
Solo 0064387 Tube
#8
Solo 0064387 Tube
Our Item Number - Oso0064387
$2.99

Add to Cart
Solo 4400116 Hose Assembly
#9
Solo 4400116 Hose Assembly
Our Item Number - Oso4400116
$3.79

Add to Cart
Solo 4800170 Shut-Off Valve Assembly
#10
Solo 4800170 Shut-Off Valve Assembly
Our Item Number - A71549
$15.19

Add to Cart
Solo 4074329 Lock Clip
#11
Solo 4074329 Lock Clip
Our Item Number - Oso74329
$1.79

Add to Cart
Solo 0610402-K Shut-Off Valve Repair Kit
#12
Solo 0610402-K Shut-Off Valve Repair Kit
Our Item Number - Oso0402
$6.89

Add to Cart
Solo 4900230 20 Inch Spray Tube
#13
Solo 4900230 20 Inch Spray Tube
Our Item Number - A64312
$9.49

Add to Cart
Solo 4074527 Elbow
#14
Solo 4074527 Elbow
Our Item Number - A75582
$3.29

Add to Cart
Solo 4074756 Swirl Plate
#15
Solo 4074756 Swirl Plate
Our Item Number - A72147
$1.49

Add to Cart
Solo 4074758 Jet Cap Tip
#16
Solo 4074758 Jet Cap Tip
Our Item Number - Oso4074758
$2.59

Add to Cart
Solo 4074263 Flat Spray Jet
#17
Solo 4074263 Flat Spray Jet
Our Item Number - A72145
$1.89

Add to Cart
Solo 4900527 Plastic Adjustable Nozzle  Includes A and B
#18
Solo 4900527 Plastic Adjustable Nozzle Includes A and B
Our Item Number - A15248
$4.59

Add to Cart
Solo 4074148 Retaining Nut
#19
Solo 4074148 Retaining Nut
Our Item Number - A75725
$2.69

Add to Cart
Solo 4074283 Jet Filter
#20
Solo 4074283 Jet Filter
Our Item Number - A36829
$2.49

Add to Cart
Solo 4074405 Slide
#21
Solo 4074405 Slide
Our Item Number - Oso4074405
$1.59

Add to Cart
Solo 0094174 Carrying Strap
#22
Solo 0094174 Carrying Strap
Our Item Number - Oso0094174
$3.69

Add to Cart
Solo 4900430 Driftguard
#25
Solo 4900430 Driftguard
Our Item Number - A36906
$21.89

Add to Cart
Solo 0065210 Brass Flat Spray Nozzle
#26
Solo 0065210 Brass Flat Spray Nozzle
Our Item Number - Oso65210
$4.59

Add to Cart
Solo 4800250 Pressure Relief Valve

Solo 4800250 Pressure Relief Valve
Our Item Number - Oso4800250
$3.09

Add to Cart
Solo 0610403-K Pump Repair Kit

Solo 0610403-K Pump Repair Kit
Our Item Number - Oso0430
$5.09

Add to Cart
Solo 0610410-P Adjustable Spray Nozzle Assembly

Solo 0610410-P Adjustable Spray Nozzle Assembly
Our Item Number - A36785
$9.89

Add to Cart
Solo 0610456-P Nozzle Assortment

Solo 0610456-P Nozzle Assortment
Our Item Number - A24269
$17.89

Add to Cart
Solo 4900477 Double Spray Nozzle

Solo 4900477 Double Spray Nozzle
Our Item Number - Oso49477
$32.89

Add to Cart

 

Solo 430 Series Portable Sprayer
Pressure Relief Valve Tank Cap Complete Pump Assembly Pump Ring Screw Cap Tube Hose Assembly Shut-Off Valve Assembly Lock Clip Shut-Off Valve Repair Kit 20 Inch Spray Tube Elbow Swirl Plate Jet Cap Tip Flat Spray Jet Plastic Adjustable Nozzle Retaining Nut Jet Filter Slide Carrying Strap Driftguard

Solo 430 Series Portable Sprayer Parts